欢迎光临工业插头插座厂家官方网站!

工业明装插座

  • CEE-1332-4/1432-4

CEE-1332-4/1432-4

  • 013-4.jpg

    电       流   Current(A): 63A/125A

    电       压   Voltage(V): 110-130V

    极       数   No. of poles: 2P+E

    防护等级  Protection degree: IP67


1332.png


63Amp

125Amp

Poles

3

4

5

3

4

5

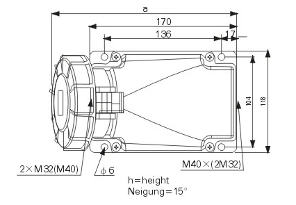
a

213

213

213

285

285

285

h

173

173

173

185

185

185

Wire flexible [mm²]

6-16

16-50


友情链接: 浙ICP备20241089162222号 CEE工业插座箱 工业插头插座厂家